![]() | Welcome Guest. ( logon | register ) | |||||
| ||||||
|
|
| Topic Tools ![]() | Message Format ![]() |
| Author |
| ||
| J.R. Elite Veteran Date registered: Apr 2006 Location: Southern Maryland Vehicle(s): 00 G500, 09 911 4S, 11 Cayenne S, 86 280GE (sold) Posts: 829 ![]() | Re: Hesitation after slowing or stopping at junctions LTFT Bank 2 is reporting .8 I assume that the engine is warned up. LTFT .8 at < 1700 rpm indicates running rich and the computer is commanding a lean AFR (air fuel ratio). Fuel Trim (FT) is aka "oxygen sensor adaptation". Suspects are: - restricted airflow to combustion chamber (blocked exhaust or cat) - leaking injector(s) - incorrectly reporting sensors | ||
| #241352 - in reply to #240603 |
| ||
| Author |
| ||
| darko Regular Date registered: Mar 2012 Location: Isle of Man Vehicle(s): 2003 G500 Posts: 64 ![]() | RE: Hesitation after slowing or stopping at junctions Thanks J.R. so another update... some good news and some bad I disconnected the MAF connector today and gave it a thorough clean and that seems to have cleared : P0451 - Evap Error - Now gone! P0112 - Intake Temperature Sensor Circuit Low - Now Gone ! So we are left with : P0446 - (Evap Error) P0102 (Mass or Volume Airflow Circuit Low) So, I suspect a new MAF is needed... Despite the voltage on the battery reading really low today (11.55v) the car started and ran - hesitation still there Fitted the new battery (full of hope) and despite reading 13.1v the car still hesitated after a short test drive Another observation I made, it seems the hesitation only occurs after applying the brakes. Slowing without brakes and re-applying throttle seems ok, slowing with the brakes and re-applying throttle seems to cause the hesitation So.... I guess I will get a new Mercedes MAF ordered, hope that fixes this and if not keep looking (P0102 copy.png) (P0446 copy.png) (IMG_5841.jpg) (IMG_5843.jpg) Attachments ---------------- P0102 copy.png (140KB - 186 downloads) P0446 copy.png (136KB - 193 downloads) IMG_5841.jpg (139KB - 199 downloads) IMG_5843.jpg (144KB - 187 downloads) | ||
| #241370 - in reply to #240603 |
| ||
| Author |
| ||
| J.R. Elite Veteran Date registered: Apr 2006 Location: Southern Maryland Vehicle(s): 00 G500, 09 911 4S, 11 Cayenne S, 86 280GE (sold) Posts: 829 ![]() | Re: Hesitation after slowing or stopping at junctions Sounds like a good place to start. The MAF is a key sensor. A functioning MAF is in my spares kit, the factory original (BOSCH). A new one from BOSCH went under the hood and works perfectly. You will want to replace the mating seals too. I have been getting OEM from rmeuropean.com lately. No fakes so far as you will often find at large scale resellers. While I was in there, I replaced all of the emissions/EVAP hoses as they had gotten brittle, not a good seal. A fair amount of oil residue and associated grime had built up. For these, I would go with Mercedes Benz sourced from you favorite discount dealer. Edited by J.R. 12/29/2019 9:18 PM | ||
| #241374 - in reply to #240603 |
| ||
| Author |
| ||
| hipine Date registered: Jul 2006 Location: US, CO, Bailey Vehicle(s): 460 1980 280GE w. 617A ![]() | RE: Hesitation after slowing or stopping at junctions Brother, you need to get that charging issue taken care of before going any farther. Just putting a 13v battery in and driving around doesn't do anything for my confidence that this isn't electrically related. Brake lights are a fairly big draw and could be playing havoc. When you finish say a 60 minute drive, park the car and turn it off, your voltmeter across the battery should read 13.2v Anything less than that and the car isn't charging properly. Good luck! -Dave G. | ||
| #241385 - in reply to #241370 |
| ||
| Author |
| ||
| darko Regular Date registered: Mar 2012 Location: Isle of Man Vehicle(s): 2003 G500 Posts: 64 ![]() | RE: Hesitation after slowing or stopping at junctions Thanks Dave G - was already concerned about that however whilst running the voltage shows at 13.4v (via the diagnostic software) I will double check this with a meter tomorrow (just in case) I'm a little distracted by the short term fuel correction - as pointed out by J.R. the negative value suggests the car is reading a fuel rich condition and pulling the fueling back new readings taken today with some different software are showing : Short term fuel % trim - Bank 1 = -21.09% Short term fuel % trim - Bank 2 = -22.66% I wonder if at low throttle opening this is causing the hesitation either by being too rich or too lean until the revs pick up - certainly taking these readings with the car warm and just idling it smells 'rich' on fuel I am going to take a look at the EGR valve and whilst back there check as much of the vacuum hosing too, I wonder if combined with a faulty valve in the EVAP system if there is too much fuel happening at low throttle opening Driving the car today it was really bad, at one point I thought the engine was going to stall completely | ||
| #241397 - in reply to #240603 |
| ||
| Author |
| ||
| Titus Pullo Elite Veteran Date registered: May 2007 Location: Ottawa, ON, Canada Vehicle(s): '90 Wolf 240GD, '06 G270 CDI. Posts: 1010 ![]() | Re: Hesitation after slowing or stopping at junctions EGR might be your problem. Stuck partially open or just not working properly. Not long ago I had exactly the same symptoms with customers vehicle. Dont remember the codes, but when I removed the EGR it was covered with carbon deposit. Cleaned, lubricated and problem solved. | ||
| #241398 - in reply to #240603 |
| ||
| Author |
| ||
| darko Regular Date registered: Mar 2012 Location: Isle of Man Vehicle(s): 2003 G500 Posts: 64 ![]() | Re: Hesitation after slowing or stopping at junctions OK, good to know! Looks like the EGR is buried at the back of the intake manifold so not the easiest to check especially the vacuum hoses too I guess? | ||
| #241400 - in reply to #240603 |
| ||
| Author |
| ||
| darko Regular Date registered: Mar 2012 Location: Isle of Man Vehicle(s): 2003 G500 Posts: 64 ![]() | RE: Hesitation after slowing or stopping at junctions Just found this regarding fault code P0102 - think I'll go and test this with the multimeter! (P0102.png) Attachments ---------------- P0102.png (136KB - 182 downloads) | ||
| #241401 - in reply to #240603 |
| ||
| Author |
| ||
| darko Regular Date registered: Mar 2012 Location: Isle of Man Vehicle(s): 2003 G500 Posts: 64 ![]() | RE: Hesitation after slowing or stopping at junctions No such luck... both pins test at correct voltage (12.2v & 5.01v) (IMG_5893.jpg) (IMG_5894.jpg) Attachments ---------------- IMG_5893.jpg (175KB - 189 downloads) IMG_5894.jpg (170KB - 189 downloads) | ||
| #241405 - in reply to #240603 |
| ||
| Author |
| ||
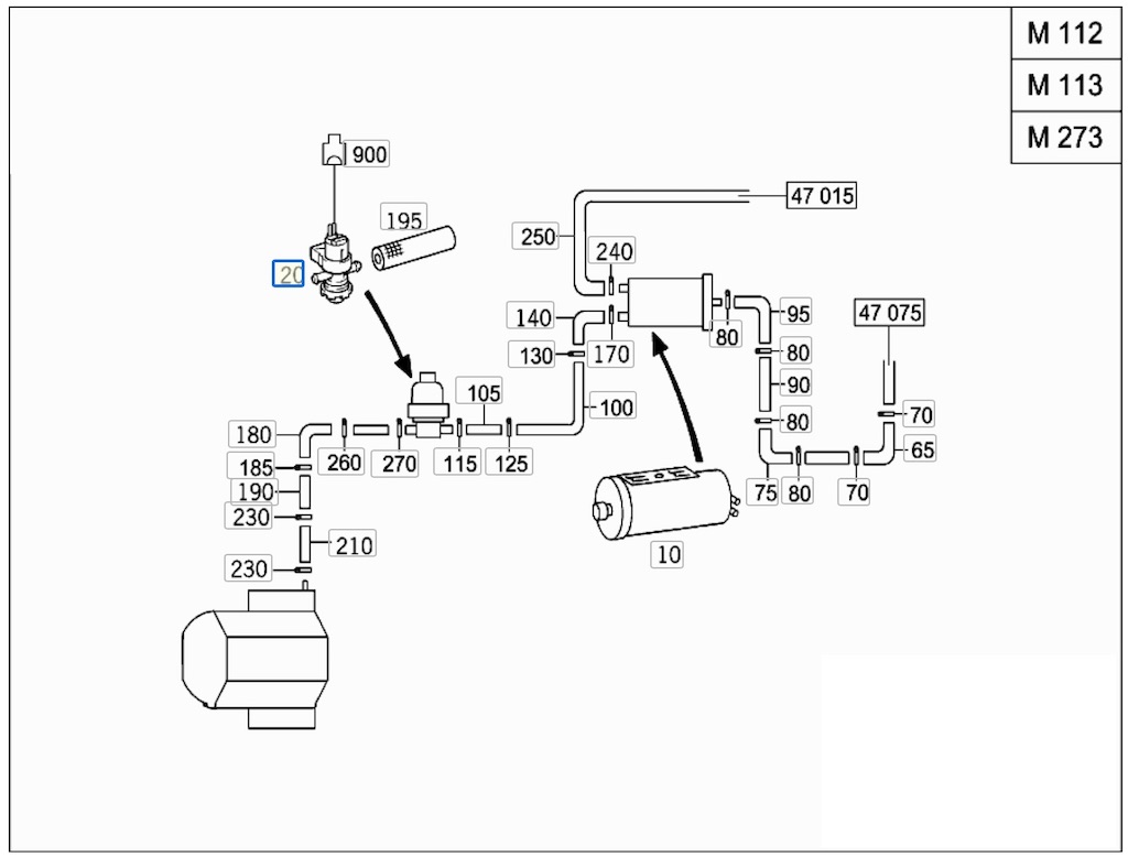
| darko Regular Date registered: Mar 2012 Location: Isle of Man Vehicle(s): 2003 G500 Posts: 64 ![]() | RE: Hesitation after slowing or stopping at junctions I need to do a bit more reading on how the EGR valve works however, a quick experiment gave some strange results: I ran a vacuum line to the EGR valve actuator (effectively operating the EGR valve) and the car ran like hell, coughing and stumbling until finally stalling Is this correct ? If this is causing the hesitation problems I guess I could remove (and plug) the vacuum (line B) in the diagram below and disable the EGR valve ? Edited by darko 1/2/2020 4:29 PM (M112 EGR copy 2.jpg) Attachments ---------------- M112 EGR copy 2.jpg (106KB - 179 downloads) | ||
| #241406 - in reply to #240603 |
| ||
| Author |
| ||
| Titus Pullo Elite Veteran Date registered: May 2007 Location: Ottawa, ON, Canada Vehicle(s): '90 Wolf 240GD, '06 G270 CDI. Posts: 1010 ![]() | Re: Hesitation after slowing or stopping at junctions Sometimes it does help disabling the EGR, but most times - no. The problem I wrote about earlier was caused not by the EGR being actuated or not, but by the fact that it was not working properly. If the shaft is seizing or the plunger not sealing correct you will get a internal vacuum leak. And it is what it was in my case - a lot of carbon build up was not letting the EGR to properly close after being actuated, thus leaving the intake manifold open (slightly) to the exhaust = vacuum leak. | ||
| #241407 - in reply to #240603 |
| ||
| Author |
| ||
| hipine Date registered: Jul 2006 Location: US, CO, Bailey Vehicle(s): 460 1980 280GE w. 617A ![]() | Re: Hesitation after slowing or stopping at junctions Titus Pullo - 1/2/2020 4:20 PM Sometimes it does help disabling the EGR, but most times - no. The problem I wrote about earlier was caused not by the EGR being actuated or not, but by the fact that it was not working properly. If the shaft is seizing or the plunger not sealing correct you will get a internal vacuum leak. And it is what it was in my case - a lot of carbon build up was not letting the EGR to properly close after being actuated, thus leaving the intake manifold open (slightly) to the exhaust = vacuum leak. +1 to that. If your system is anything like that pictured, then replacing the gasket at the intake manifold end of the pipe with a thin metal (solid) plate and a thin layer of heat-tolerant sealant as a temporary measure might do the diagnostic trick. -Dave G. | ||
| #241419 - in reply to #241407 |
| ||
| Author |
| ||
| darko Regular Date registered: Mar 2012 Location: Isle of Man Vehicle(s): 2003 G500 Posts: 64 ![]() | RE: Hesitation after slowing or stopping at junctions A small update to this ongoing issue.. I decided to investigate the EVAP error code, found a pretty interesting setup behind the right rear wheel! There was a charcoal canister with various adapters plumbed into two hoses, I think one hose goes to the filler tube of the fuel tank and the other to the engine bay Thing is the charcoal canister has a VW / Audi logo and was held to a metal bracket with some electrical wire wrapped around it Im pretty sure the hoses were not connected well, on top of this there are two bare wires in the space where the canister goes - should there be a sensor there? I also tested the purge valve in the engine bay - completely dead - so this could be the case of the fault code (P0400) ? (IMG_6273 copy.jpg) (IMG_6275 copy.jpg) Attachments ---------------- IMG_6273 copy.jpg (141KB - 195 downloads) IMG_6275 copy.jpg (107KB - 182 downloads) | ||
| #241495 - in reply to #240603 |
| ||
| Author |
| ||
| darko Regular Date registered: Mar 2012 Location: Isle of Man Vehicle(s): 2003 G500 Posts: 64 ![]() | RE: Hesitation after slowing or stopping at junctions Also looks like there should be 3 connections not 2 on the charcoal canister ? But no electrical connection / sensor by the canister so not sure what the two wires are for? (EVAP Diagram.jpg) Attachments ---------------- EVAP Diagram.jpg (86KB - 189 downloads) | ||
| #241496 - in reply to #240603 |
| ||
| Author |
| ||
| darko Regular Date registered: Mar 2012 Location: Isle of Man Vehicle(s): 2003 G500 Posts: 64 ![]() | RE: Hesitation after slowing or stopping at junctions Well, I am very happy to say this is now solved !! On a hunch, I decided to remove the brake light switch, once removed I checked it and it felt really rough as you pushed the pin inwards I decided to stick some WD-40 in it and re-fit - amazingly I had no hesitation after driving for roughly 2 hours, towards 3 hours I thought I felt it happen once but only very slightly I bought a new switch from MB - part no. A0015456409 - (only £18.75GBP !) and when it arrived I compared it to the old switch, the new one was slightly longer (5mm) and when I looked closely I noticed the old switch pin had slightly collapsed and was not actually shorter Anyway, new switch fitted and the car runs great so very happy as this has been going on for quite a long time... As a happy side effect, removing much of the emissions systems has had a huge effect on the running of the engine, either the systems were totally worn out or just plain killing the engine, the engine now runs so smoothly and pulls effortlessly, its a real transformation Currently I have the following disabled: EVAP system / purge valve SAI - pump removed and valves capped EGR - vacuum removed from actuator - considering removing the complete system and blanking off (although that might put the engine in limp mode ?) | ||
| #241520 - in reply to #240603 |
| ||
| Author |
| ||
| DUTCH Administrator Doppelgänger Date registered: Apr 2006 Location: US, GA, Atlanta Vehicle(s): 2015 Audi Q7 3.0 TDI,2018 Sprinter Posts: 9965 ![]() | RE: Hesitation after slowing or stopping at junctions Mark, Thanks for the update with the positive results! | ||
| #241521 - in reply to #241520 |
| ||
| Author |
| ||
| King_GH Extreme Veteran Date registered: Oct 2011 Location: London Vehicle(s): 95 G300 RHD Posts: 324 ![]() | Re: Hesitation after slowing or stopping at junctions Darko This is so weird. Just when you solved yours I get the exact same problem. The car stalls without warning at junctions very intermitently and I'm not sure where to start looking at all you had to go through. It's a 96 G300. Also can you explain how the brake light switch caused the stalling, I don't get the connection here. | ||
| #241532 - in reply to #241338 |
| ||
| Author |
| ||
| darko Regular Date registered: Mar 2012 Location: Isle of Man Vehicle(s): 2003 G500 Posts: 64 ![]() | Re: Hesitation after slowing or stopping at junctions Unfortunately I’m not sure you are going to have the same problem I still don’t fully understand why the switch caused the problem however, I suspect that it was triggering the traction control or some other ’safety’ system. There are two plugs of wires going into the switch so it’s definitely doing more than activating the brake light bulbs! Edited by darko 2/25/2020 4:27 AM | ||
| #241533 - in reply to #240603 |
| ||
| Author |
| ||
| DUTCH Administrator Doppelgänger Date registered: Apr 2006 Location: US, GA, Atlanta Vehicle(s): 2015 Audi Q7 3.0 TDI,2018 Sprinter Posts: 9965 ![]() | Re: Hesitation after slowing or stopping at junctions darko - 2/25/2020 4:26 AM Unfortunately I’m not sure you are going to have the same problem I still don’t fully understand why the switch caused the problem however, I suspect that it was triggering the traction control or some other ’safety’ system. There are two plugs of wires going into the switch so it’s definitely doing more than activating the brake light bulbs! In addition to activating the brake lights, that switch also deactivates the ABS. | ||
| #241534 - in reply to #241533 |
| ||
| Author |
| ||
| JCH4 Regular Date registered: Jun 2010 Location: Charleston, SC Vehicle(s): 2003 G500, LR 1972 IIA, LR 1962 IIA, Husqvarna 350 Posts: 99 ![]() | RE: Hesitation after slowing or stopping at junctions I had this problem on mine. It plagued me and my mechanic for almost a year. Turned out to be the Mass Air Flow sensor. Changed it out and been great sense. Hope this helps. | ||
| #242030 - in reply to #240603 |
| ||
| « View previous thread :: View next thread » |
|
|

